市场调研项目名称 | 奎星楼A组团核医学科成品衰变池项目 |
需求部门 | 项目办 |
衰变池项目技术要求 | 一. 基本要求 衰变池系统按槽式衰变设计,配置2个不锈钢衰变池以提高废液池利用率,与预处理池、取样测量系统、控制系统、进排水系统等组成一套自动/手动控制的放射性废液衰变处理系统,各设备故障或超限运行应及时报警。 二. 技术参数或功能配置 1. 衰变池池体系统 1.1衰变方式:槽式衰变; 1.2衰变池体数量:2个; 1.3衰变池总容积≥9m3; 1.4池体材质:304含镍不锈钢槽体,厚度符合国家相关标准; 2. 多功能预处理系统 2.1双搅碎设计,一备一用,衰变池无需人工清理淤泥; 2.2搅碎泵数量:≥2台,扬程≥10m,流量≥15立方米/h,一用一备; 2.3设备运行信号自动反馈; 2.4四路液位实时信号控制,防止故障发生; 2.5规格:≥1m³; 2.6数量:1套。 3. 多功能排污系统 3.1排污泵数量:≥2台,扬程≥10m,流量≥15立方米/h,一备一用; 3.2设备运行信号自动反馈。 4. 电动执行阀系统 4.1执行机构控制方式:电动/手动双重控制; 4.2密封等级≥IP67; 4.3 输出扭力≥350Kgf-cm; 4.4 电压:220V; 4.5 频率:50Hz; 4.6 功率:≥50W; 4.7 信号:4-20mA; 4.8 电动执行阀器数量:≥6个。 5. 检修手动及单向系统 5.1实现手动控制排放功能; 5.2可控制及调节水流方向; 5.3检修手动阀数量:≥6个; 5.4单向阀数量:≥4; 6. 压力传感系统 6.1扩散硅压力传感器与花孔式不锈钢密封管组成上装式压力传感器; 6.2电压:dc24V; 6.3 信号:4-20mA; 6.4探测范围:0-6m; 6.5位置压力传感器数量:≥3个。 7. 极限液位传感系统 7.1极限液位报警、机械信号转电子信号; 7.2极限液位传感器数量:≥4个。 8. 废液取样测量系统 8.1铅防护自屏蔽设计,铅屏蔽≥30mmPb; 8.2NaI专用探头,自动或手动测量放射性废液比活度; 8.3自动校准:自带标定药物投放口,用于目标核素比活度测量校准; 8.4配置数量:1套; 8.5池体配置人工取样口,方便随时取样分析。 9. 放射性废液控制柜 9.1由工业控制器、模拟量模块、扩展模块、远程控制模块、人机交互界面、开关电源、输出继电器等集成; 9.2电压:三项五线380V; 9.4配置数量:1套; 10. 智能人机界面监控系统 10.1中文界面中央控制操作系统; 10.2可视化液位控制端显示,直观显示内部液位情况; 10.3 液位动态监测,极限液位及时报警; 10.4 衰变时间智能监控,实时在线显示废液衰变时间; 10.5 实时设备运行监控,实现各设备及系统执行状态的监控,以及故障问题、维护需求的及时报警显示。 10.6外接网口:有(与远程服务选项及其他数据接口需求结合使用); 10.7配置数量:1套,就近配置在用户指定位置。 11. 温湿度传感系统 11.1温湿度控制显示及I/O接点; 11.2实时显示场地温湿度; 11.3温度/湿度超出预设范围提示报警; 11.4必要时刻联动除湿设备;如排风扇,除湿机等; 11.5温湿度传感器数量:1个。 12. 管路及流量监测系统 12.1管路材质PVC,厚壁、耐压、耐腐蚀; 12.2管路系统包含所有管道及连接件; 12.3通过流量传感器可直观依据霍尔元件监测AB双相水流量; 12.4流量计参数:电源:dc24V;信号:4-20mA;故障:0,1; 12.5 流量传感器数量≥1个; 13. 专业化控制软件 13.1监视/显示/报警/控制/排放系统/故障显示/历史记录; 13.2触摸屏式操控界面; 13.3菜单式操控式界面; 13.4人机界面讯息显示:有; 13.5监测显示异常报警:有; 13.6历史排放记录打印、存档及查阅:有; 13.7可记录至少2年的历史比活度数据,可通过比活度曲线和半衰期数量制定废液排放计划; 13.8配置数量:1套。 14. 远程协助功能 14.1通过互联网实现远程操控、升级等功能; 14.2通过互联网,工程师可远程诊断设备运行工况、损坏状态等,并且在主要部件无损坏状态下应急处理问题,防止废液溢出; 14.3互联网加密:设备联网后,所有数据及图像界面等均做加密处理,仅支持授予密码专业人员联网处理; 14.4远程升级:包含升级控制系统及图形系统; 14.5专业的维护工程师定期查看系统状态、维护等;保证系统长时间稳定运行; 14.6配置数量:1套。 15. 衰变间外侧高灵敏环境辐射监测仪 15.1探测器:SiPM闪烁晶体的探测器; 15.2剂量当量率:覆盖 0.01μGy/h~10mGy/h; 15.3灵敏度:≥115cps/μGy/h; 15.4相对固有误差:不超过±15%; 15.5探测射线及能量范围大于:X、γ:20keV~3MeV; 15.6能量响应:不超过±20%; 15.7入射角响应不超过±15%; 15.8报警阈值:量程内连续可调; 15.9过载特性:过载恢复、过载报警; 15.10报警方式:声、光报警; 15.11报警响应:≤2s; 15.12数据传输方式:无线通讯; 15.13电源:市电 220V AC; 15.14显示单位:Gy、Rad、CPS; 15.15衰变间外侧环境辐射水平不间断连续监测; 15.16设备尺寸≤φ175mm*50mm; 15.17设备在-20~50℃范围内响应不超过15%; 15.18数量:≥1台; 16. 废液积水水源分析 16.1智能分析废液间的积水为系统渗漏或外界进入水,智能提示与处理; 16.2确定积水来源后,系统通过工作人员指令排入降解槽或医院污水管网。 17. 系统联动控制 17.1 控制阀与排水泵联动设计,保护排水泵; 17.2 预处理池及衰变池极限水位信号联动,规避异常水位,确保水位安全; 17.3 异常断电复位与报警:异常断电后,系统仍能提供报警功能; 18. 使用年限与维保 18.1质保期限(含免费维保):不少于2年; 18.2提供终身维保服务。 |
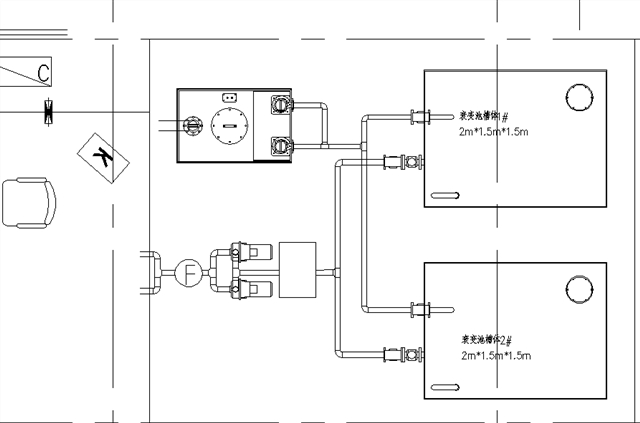
衰变池 预评要求 | 1.衰变池结构 本建设项目衰变池计划采用“槽式”排放,其设有一个降解槽(绞刀泵将废液里的固体残渣搅碎)和两个并联的槽体(单个体积为4.5m3),两个槽体对放射性废液进行交替轮流收集、储存和排放。水箱槽体和降解槽槽体均采用组合式防渗透力强的不锈钢焊接,排水管采用大功率无堵塞排污泵,所有水泵均一用一备以防止设备故障时能保障整个核医学科排水的正常运行。详细结构见图1所示。 废液管理系统由电脑控制,当第一个槽体注满后自动关闭并打开第二个槽体继续收集。第二个槽体将注满时第一个槽体打开自动排水。 衰变池位于奎星楼A组团二层,位于四层核医学科洗手间正下方,该楼层集中处理医院的废水。
图1 核医学科拟设自动废液收集系统结构 2.衰变池总容积 医院核医学科门诊衰变池设计为两个独立的罐式槽体,其每个槽体体积为4.5m3(2m×1.5m×1.5m)。核医学科每天排水约0.71m3(8L*70人次+20L+260*0.5L)。放射性废水灌满4.5m3的罐体需要6.33天,单个罐体每月需排放两次,单次单罐排放放射性废水总活度为1.45×102Bq,每月流出物总活度为5.79×102Bq<一次排放ALImin限值,每次排放流出物β活度浓度0.033Bq/L<10Bq/L。 对于建设单位整体处理废水能力分析:根据建设单位提供的资料,医院现有废水处理站1座,位于一楼,设计处理能力为1200m3/d。医院计划总排水量为 1050m3/d。拟建核医学科新增放射性流出物排水量4.5m3/次,废水不会超过医院废水处理站的设计处理能力。衰变池位于污水处理站旁边,排水管连接医院污水主管道,主管道流量即为医院污水总排放量 1050m3/d,大于 10倍放射性污水排放流量,满足《电离辐射防护与辐射源安全基本标准》(GB18871-2002) 中“排入流量大于10 倍排放流量的普通下水道”的控制要求,达标排放。 |
附图 | 详见附件(楼层建筑平面图) |
报名截止时间 | 2021年 5月 25日 17:00 |
报名方式及要求 | 网上报名:按照附件要求通过邮件提交报名资证材料 报名邮箱:2874218268@qq.com |
市场调研时间、地点 | 2021年 5月 26日 上午10:00 重庆医科大学附属第二医院渝中院区综合楼17楼会议室 |
联系方式 | 电话:023-63693319 邮编:400010 |
服务热线
服务热线
版权所有: 重庆医科大学附属第二医院 | Copyright @ 2016-2026 CQSAHCQMU.CN All Right Reserved. 渝ICP备15009793号-10 渝公网安备 50010302000990号
技术支持:瑞秀科技

